Dao bào ống, dao tiện đường hàn SNMX150708-R giải pháp tối ưu cho gia công ống thép.
- Trong ngành cơ khí chế tạo và sản xuất ống thép, việc lựa chọn đúng dao cụ có vai trò quan trọng để đảm bảo năng suất, độ chính xác và tuổi thọ thiết bị. Một trong những dòng sản phẩm chuyên dụng hiện nay là dao bào ống SNMX150708, được thiết kế đặc biệt cho quá trình bào mép ống và xử lý đường hàn dư.
- Dao bào ống SNMX150708 -R là dòng mảnh dao hợp kim (Carbide Insert) dạng vuông chuyên dụng cho cán bào ống (Tube Scarfing Holder) trong ngành cơ khí và sản xuất ống thép.
Với các bán kính cung R000 đến R100, loại dao này phù hợp nhiều đường kính ống khác nhau,từ ống nhỏ trong kết cấu thông thường cho đến ống lớn trong ngành dầu khí, đóng tàu.


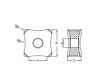
BẢNG THÔNG SỐ DAO BÀO ỐNG SNMX150708-R
| Designation (mm) | D | S | A | Re | d1 | Wr | Tube diameter (mm) |
|---|---|---|---|---|---|---|---|
| SNMX150708-R000 | 15,88 | 7,94 | 10 | 0,8 | 5,16 | 0 | - |
| SNMX150708-R007 | 15,88 | 7,94 | 10 | 0,8 | 5,16 | 7 | 08-10 |
| SNMX150708-R009 | 15,88 | 7,94 | 10 | 0,8 | 5,16 | 9 | 10-13 |
| SNMX150708-R011 | 15,88 | 7,94 | 10 | 0,8 | 5,16 | 11 | 13-16 |
| SNMX150708-R013 | 15,88 | 7,94 | 10 | 0,8 | 5,16 | 13 | 15-19 |
| SNMX150708-R015 | 15,88 | 7,94 | 10 | 0,8 | 5,16 | 15 | 17-22 |
| SNMX150708-R018 | 15,88 | 7,94 | 10 | 0,8 | 5,16 | 18 | 21-26 |
| SNMX150708-R020 | 15,88 | 7,94 | 10 | 0,8 | 5,16 | 20 | 23-29 |
| SNMX150708-R022 | 15,88 | 7,94 | 10 | 0,8 | 5,16 | 22 | 29-36 |
| SNMX150708-R027 | 15,88 | 7,94 | 10 | 0,8 | 5,16 | 27 | 31-39 |
| SNMX150708-R030 | 15,88 | 7,94 | 10 | 0,8 | 5,16 | 30 | 35-44 |
| SNMX150708-R035 | 15,88 | 7,94 | 10 | 0,8 | 5,16 | 35 | 40-51 |
| SNMX150708-R040 | 15,88 | 7,94 | 10 | 0,8 | 5,16 | 40 | 46-58 |
| SNMX150708-R045 | 15,88 | 7,94 | 10 | 0,8 | 5,16 | 45 | 52-65 |
| SNMX150708-R050 | 15,88 | 7,94 | 10 | 0,8 | 5,16 | 50 | 58-73 |
| SNMX150708-R060 | 15,88 | 7,94 | 10 | 0,8 | 5,16 | 60 | 69-87 |
| SNMX150708-R070 | 15,88 | 7,94 | 10 | 0,8 | 5,16 | 70 | 80-95 |
| SNMX150708-R075 | 15,88 | 7,94 | 10 | 0,8 | 5,16 | 75 | 86-102 |
| SNMX150708-R100 | 15,88 | 7,94 | 10 | 0,8 | 5,16 | 100 | 146-186 |
1. Cấu tạo & đặc điểm dao bào ống ,dao tiện đường hàn SNMX150708-R
-
-
Kích thước chuẩn: 15 × 15 × 7 mm.
-
Hình dạng SNMX: vuông (S – square), relief angle 0° (N), dung sai M, gá kẹp vít đặc biệt (X).
-
Bán kính cung R: có nhiều lựa chọn từ R000 – R100.
-
Vật liệu nền: carbide siêu cứng, chịu lực tốt.
-
Kiểu gá: gắn trên cán bào ống hoặc đầu phay mặt cong chuyên dụng.
-
2. Lớp phủ MT-CVD đa lớp
Dao bào ống ,dao tiện đường hàn SNMX150708 thường sử dụng lớp phủ MT-CVD với cấu trúc nhiều lớp:
-
TiCN: tăng độ cứng, chống mài mòn.
-
Al₂O₃ (lớp dày): chịu nhiệt, làm việc tốt ở tốc độ cắt cao.
-
TiN: lớp ngoài vàng bóng, giảm ma sát, dễ quan sát độ mòn.
-
Ưu điểm lớp phủ:
-
Độ bền cao, tuổi thọ dao dài.
-
Chống mài mòn & hàn dính phoi.
-
Gia công ổn định trong quá trình bán hoàn thiện thép.
-
3. Cán dao phù hợp
Mảnh dao SNMX150708 được sử dụng với các loại cán/holder chuyên dụng:
-
Tube Scarfing Holder: đầu bào mép hàn ngoài ống thép (ERW/Seamless).
-
DVJNR/L – SNMX Holder: tiện ngoài, bào mặt cong.
-
DSBNR/L – SNMX Holder: gá bên hông, bào mép ống.
-
Face Milling Cutter SNMX type: đầu phay biên dạng R lớn.

4. Ứng dụng
-
Bào mép hàn ngoài ống thép hàn ERW.
-
Gia công mặt đầu ống trước khi hàn nối.
-
Gia công ống thép carbon, hợp kim, inox trong kết cấu, cơ khí, dầu khí.
-
Tạo bán kính bo lớn (R000 –R100) cho bề mặt cong.
5.Ưu điểm khi sử dụng SNMX150708-R
- Tuổi thọ cao nhờ nền carbide + lớp phủ MT-CVD.
- Linh hoạt với nhiều cung R, đáp ứng đa dạng đường kính ống.
- Giảm thời gian setup, thay thế insert dễ dàng.
-
Năng suất cao, bề mặt gia công mịn, ổn định.
Dao bào ống, dao tiện đường hàn SNMX150708 (R000 – R100) là lựa chọn tối ưu cho các nhà máy sản xuất ống thép, cơ khí kết cấu và ngành dầu khí.
Với thiết kế insert chuẩn quốc tế, lớp phủ MT-CVD bền bỉ và dải bán kính cung R rộng, SNMX150708 mang lại hiệu quả cao – chi phí hợp lý – chất lượng ổn định trong gia công ống thép từ nhỏ đến rất lớn.












Reviews
There are no reviews yet.